Welcome, Guest. Please Login or Register.
16.01.26 at 00:32:35
Home All forum attachments and linked/autosaved images Help Search Login Register Sprache umschalten für Gäste

Pages: 1 2 
Send Topic Print
Anlasser dreht den Motor nicht (Read 580 times)
tripleatze
TR1 Board Newbie
*




Posts: 13

Bike: TR 1 von 1984, XS 650 von 1977
Re: Anlasser dreht den Motor nicht
Reply #10 - 21.11.25 at 14:48:06
 
Vielen Dank,

aber ich lese erst mal.

freundliche Grüße

 
 

Top of page
View Profile   IP Logged
Anja-D
TR1 Board God Member
*****


carpe diem

Posts: 529
Gender: female

Bike: 1981 TR1. (5A8), modified with XV1100 (3LP) Eng.
Re: Anlasser dreht den Motor nicht
Reply #11 - 21.11.25 at 15:04:56
 
Hallo Franz,
um da etwas Ruhe reinzubringen:

A) Anlasser
1. Der Anlasser lässt sich nicht so einfach ausbauen, da zuerst der Anlasserfreilauf im Inneren des Linken Motorgehäuses, ausgebaut werden muss.
2. Wenn der Anlasser, wie Du geschrieben hattest dreht, die beiden langen Schrauben des Anlassermotors ausdehen und die vordere Kappe mit der Getriebeeinheit (motorseitig) abnehmen. Ist der äußere Zahnkranz mit Innenverzahnung lose, gibt es zwei Möglichkeiten.
a) einen neuen Anlasser kaufen. Dann hättest Du erstmal Ruhe damit
b) (handwerkliches Geschick erforderlich - für Fortgeschrittene) den eventuell defekten/losen Getriebering wieder befestigen.
b.1) Befestigen: durch Schrauben. Hierzu den Getriebering von außen nach innen zunächst vorbohren, Kerndurchmesser M4 Gewinde = 3,6mm
      Anschliessend den Gtriebering herausnehmen und in die gebohrten Löcher Gewinde schneiden. Bei der Wahl der Schrauben Vorsicht walten lassen.
      zu kurz = hält nicht lange, zu lang = blockiert die Funktion des Planetengetriebes. Schrauben dann mit Locktite einsetzen.
b.2) Befestigen: durch Austauch der Beilegscheibe durch eine etwas dickere um mehr Anpressdruck zwischen  Anlassergehäuse und Getriebe zu erzeugen
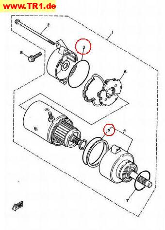
1. Bild, Pos5 O-Ring daneben ist die Distanzscheibe abgebildet
TIPP: Beim lösen des Anlasserkabels am Anlasser unbedingt darauf achtgeben, dass die Schraube nicht verdreht wird da die Gefahr besteht, dass das Kabel im Inneren abschert.

B) Freilauf  ( Bild 3 )
Materialerfordernis: 1x Dichtung Motorgeneratordeckel (Bild 3, Pos 6) , 1x neuen Anlasserfreilauf  (Bild 2,Pos 1)

Freilauf wechseln
1. Motoröl ablassen.
2. Den Deckel der Anlasserwippe abbauen (Bild 3, Pos 21)
3. Schraube (Bild 2, Pos16) auschrauben (Innensechskantschraube)
4. Führungsrolle ausbauen (Bild 2, Pos 12) ; Svhraube (Pos 13) ist eine Torx-Schraube !!
5. Schaltwippe ausbauen (Bild 2, Pos 14)
6. linken Motorseitendeckel (Bild 3, Pos 1) abbauen
   TIPPP: Da die Befestigungsschrauben des Deckels unterschiedlich lang sind, nimmt man einen Pappkartion und stößt Löcher, angeordnet in Form der
             Lage der Schrauben hinein. Jede heraugedrehte Schraube in das entsprechende Loch stecken.
             Somit kommt jede Schraube wieder an die richtige Stelle
7. Achtung; Teile des Anlassergetriebes können herausfallen
8. Alle Teile der Anlassermechanik herausnehmen und  auf suberem Lappen ablegen
9. Mit Hilfe einer Seegeringzanke die Sicherung des Anlasserfreilaufes ( Bild 2, Pos2) abnehmen
10. Anlasserfreilauf (Bild 2, Pos 1) abziehen und neuen Anlasserfreilauf * aufschieben
11. Mit Hilfe einer Seegeringzanke die Sicherung des Anlasserfreilaufes ( Bild 2, Pos2) anbringen und auf korrekten Sitz kontollieren
12. Dichtflächen das linken Motorseitendeckel renigen, auch am Motor.
     Darauf achtgeben, dass die Kabel die aus dem Deckel herauskommen, nicht beschädigt werden oder sind.
     Die Gummielemente sorgfälltig aber vorsichtig reinigen.
     Im Bereich unterhalb der Anlassermechanik, befindet sich ein kleiner Magnet in einer Kunstoffumhüllung.
     Diesen herausnehmen und ebenfalls reinigen. Nach der Reinigung wieder den Magneten in seiner Umhülung zurück in den Motor zurückstecken.
13. Einbau der Anlassermechanik, siehe auch  https://www.tr1.de/pages/technics_manual.php?key=XV1000&lng=eng&flg=0&pge=0010
     13.a) ACHTUNG: die Schaltgabel unbedingt richtig herum einsetzten. Das Innengewinde muss nach AUSSEN zeigen
             Wenn alles zusammengesteckt ist, einen O-Ring auf die Welle (Bild 2, Pos3) aufschieben. Wenn die Welle trocken ist,
             hält der O-Ring (max Schnurdicke 1,5mm) das ganze in Position bis der Motorseitendeckel wieder aufgesetzt ist.
     13.b) Die Kabelausgänge  auf korrekte Lage kontrollieren, keine Kabel einquetschen.
              Die Gummiflächen mit etwas Dichtmasse einstreichen. dünn !
     
     Wenn alles zusammengesteckt ist, einen O-Ring auf die Welle (Bild 2, Pos3) aufschieben. Wenn die Welle trocken ist,
     hält der O-Ring (max Schnurdicke 1,5mm) das ganze in Position bis der Motorseitendeckel wieder aufgesetzt ist.
14. Alle Deckelbefestigungschrauben wied  er einsetzten und festziehen.
15. den Rest umgekehrt zum Ausbau

Informationen stehen auch hier drin https://www.tr1.de/pages/technics_manual.php?key=XV1000&lng=eng&flg=0&pge=0008

gruss Anja

 5a8-19t_anlasser_001.jpg   Anlassgetriebe.jpg   Motordeckel.jpg     Pictures below may be scaled. Click links or pictures for original size Click here for all attachments  
 

5a8-19t_anlasser_001.jpg
Anlassgetriebe.jpg
Motordeckel.jpg

TR1 seit 1982, die aktuelle seit 1988, schraube und fahre selbst
Top of page
Email View Profile   IP Logged
tripleatze
TR1 Board Newbie
*




Posts: 13

Bike: TR 1 von 1984, XS 650 von 1977
Re: Anlasser dreht den Motor nicht
Reply #12 - 21.11.25 at 16:59:36
 
Das ist sehr nett und informativ.

Vielen Dank dafür

 
 

Top of page
View Profile   IP Logged
tripleatze
TR1 Board Newbie
*




Posts: 13

Bike: TR 1 von 1984, XS 650 von 1977
Re: Anlasser dreht den Motor nicht
Reply #13 - 21.11.25 at 17:01:47
 
Hallo Anja,

vielen Dank für seine Hilfe. Ich werde es mir in Ruhe anschauen.

freundliche Grüße

 
 

Top of page
View Profile   IP Logged
Anja-D
TR1 Board God Member
*****


carpe diem

Posts: 529
Gender: female

Bike: 1981 TR1. (5A8), modified with XV1100 (3LP) Eng.
Re: Anlasser dreht den Motor nicht
Reply #14 - 22.11.25 at 09:12:53
 
moin Franz,

Ergänzung:
zwischen Position 5 und 6 kommt noch hinzu:

1. Ausbau der Anlassermagnetspule
a) hierzu den Kunstoffdeckel abschrauben und höngenlassen. Eine Abnehemn ist wegen der Kabel nicht möglich
b) lösen der beiden M6-6Kt Muttern der Anlassermagnetspule

Wenn der linke  abgenommen wird, die Anlassermagnetspule aus dem Gehäuse herausziehen.

Beim Anbau des linken Motorseitendeckels die Anlassermagnetspule wieder passend einfädeln.

2. Vor dem Abbau des linken Motorseitendeckel, die elektrischen Verbindungen trennen Einschließlich des Kabels vom Leerlaufschalter

Gruss Anja

 
 

TR1 seit 1982, die aktuelle seit 1988, schraube und fahre selbst
Top of page
Email View Profile   IP Logged
Pages: 1 2 
Send Topic Print