Markus
TR1 Board Newbie
Posts: 15
Gender: 
Bike: Yamaha TR1; Yamaha MT-09; KTM 450 EXC; Aprilia 125 SX
|
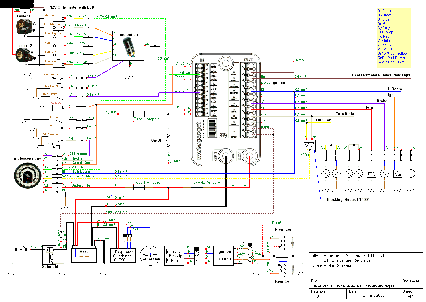
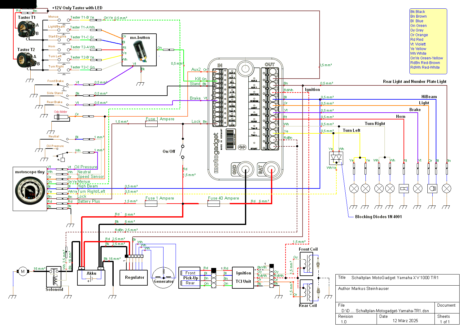
Falls Ihr in Zukunft die Einheit "Motogadget mo.unit.basic" verwenden wollt. Anbei der Schaltplan
Achtung Ich übernehme keine Verantwortung für mögliche Schäden, die durch die Anwendung des Schaltplans entstehen. Hier muss ich darauf hinweisen, das der Anlasser mit dem Schalter "Start Engine" immer aktiviert werden kann. Dies kann aber mit einem separatem Relay mit Hilfe des Neutralschalters gelöst werden. D.H. Der Anlasser kann dann nur bei der Stellung "Neutral" angesprochen werden.
|